H049003886-0031
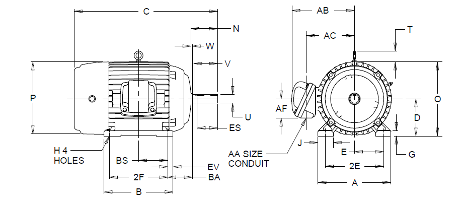
Motor eléctrico trifásico Nidec US Motors modelo FF74, de 15 HP y carcasa totalmente cerrada con ventilación (TEFC). Diseñado para uso continuo en ambientes industriales exigentes, cuenta con eficiencia premium (92.4%), clase de aislamiento F, y es apto para atmósferas peligrosas (Clase I, División 1, Grupo D). Ideal para operaciones robustas y de alta demanda.
6/2/20251 min read


